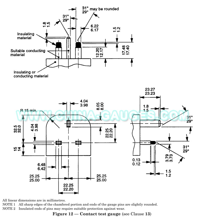
BS 1363-2 Figure 12 - Contact Test Gauge

Measurement & Analysis Instruments > Safety Instrument
Include ISO 17025 CNAS & ILAC Calibration Certificate
Origin: China Guangdong
Item No.: LX-3612

BS 1363-2 Figure 12 - Contact Test Gauge


1.  Application:
This plug and socket test gauge is mainly used to test and inspect whether the structure and size of plugs and sockets conform to BS 1363 standards. And the mainly application industries is electronics, electrical  appliances, plugs and sockets and other similar areas.


2. Features:
Gauge dimensions, tolerances, material, hardness, surface roughness conform to the standards requirements;
Material hardness is more than 50HRC; Material thermal expansion coefficient is small,dimensions and tolerances is stable and reliable.



Company introduction

HK LEE HING INDUSTRY CO., LIMITED are specialized in manufacturing special, custom built, test and measuring equipment for products testing as per international norms and offering calibration services and related information. Our products and services are used by research & development establishments, test laboratories, defense establishments, government institutions & manufacturing industries to fulfill the clients' requirements.


Main Products: Go Not Go Gauges, IP Tester, Test Probe Kit, Impact Test Equipment, Test Probes, Spring Hammer, IEC 61032 Test Finger, Plugs and Socket Outlet Gauge, AC Hipot Tester, IEC Test Probe, UL Test Probe, Material Flammability Tester, IP Code Tester, Impact Test Apparatus, Security Testing Machine, Lamp Cap Gauge Tester, Lampholders Gauge Tester, Plug & Socket Tester, Electrical Safety Tester, LED Test Instruments, Environmental Test Equipment, Instrument Accessories, Weighing Sensor and More.


If you require equipment to test products such as home appliances, electrical accessories like switches, sockets, connectors, etc. industrial & road lighting luminaires, automobile lighting systems or related categories, we can provide the solutions you need.


We would appreciate your comments on the layout design, presentation or other aspects of our website.

Website: http://www.test-item.com



Contact information

Contacts: Nina She

E-mail: sales@china-gauges.com

TEL: +86-755-33168386

FAX: +86-755-61605199

Phone: +86-15919975191

SKYPE: nina.she@outlook.com

Address: 1F Junfeng Building, Gongle, Xixiang, Baoan District, Shenzhen, Guangdong, China

ZIP: 518102

Website: http://www.test-item.com/


main products

office area

factory area

device display

cooperative businesses

products certificate

mode of transport

contact info

Thank you for your order.

INQUIRY

Scan the qr codeclose
the qr code